Where You Turn For
能源
鐵姆肯公司與制造商、業主和運營商們攜手合作,拓展思維,開發新技術。 我們共同努力,以期滿足世界日益增長的能源需求并解決自然資源的長期可靠性和經濟可行性問題。
Where You Turn For
工業機械設備
工業機械設備運營商利用鐵姆肯公司的技術知識完善他們的產品。無論是精密的機器人還是復雜的材料處理系統,鐵姆肯公司都能助力客戶取得成功。
Where You Turn For
冶金
從高溫到污染,鐵姆肯公司熟知軋機和鑄機工作時的極端工況。憑借豐富的冶金和機械系統專業知識,我們能夠提供足以應對這些惡劣工況并可靠運轉的產品。
Where You Turn For
采礦
TIMKEN通過其產品幫助礦業運營商實現共同的績效目標:最大限度提高正常運行時間、降低維護和更換成本并提高生產率。
Where You Turn For
鐵路
TIMKEN軸承幫助鐵路行業保持穩定表現,通過與建造商、業主和運營商合作,最大限度地提高機車和軌道車輛的可靠性和效率。
29348軸承
更新時間:2026.04.17 瀏覽量:80929348是TIMKEN軸承品牌下的推力調心滾子軸承型號,主要用在 、、、、、、、、、、、、 等各大領域,29348軸承詳細參數如下表所示,如有疑問,歡迎撥打021-36539288進行咨詢。
看過 TIMKEN21308VCSJ軸承的人還看過: H309軸承、230/710YMBW33軸承、23222YMW33軸承、21075/21213軸承、632-B/636軸承、JP13049/JP13010軸承、9321/9378軸承、HH953749/HH953710軸承、
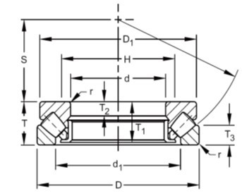
29348軸承尺寸參數規格表
- 型號
- 29348
- 軸承類型
- 推力調心滾子軸承
- 品牌
- 鐵姆肯
- d
- 240
- D
- 380
- T
- 85
- d1
- 300
- H
- 300
- D1
- 365
- T1
- 81
- T2
- 29
- T3
- 41
- S
- 135
- r
- 3.0
- C0a
- 2650
- Ct
- 1400
- oil
- 950
- k
- 140
- kg
- 41.9
29348軸承尺寸樣本圖
